全国2007年7月高等教育自学考试信号与系统试题
编辑整理:陕西自考网 发表时间:2018-05-24 06:23:22 字体大小:【大 中 小】
【添加招生老师微信】
《自考视频课程》名师讲解,轻松易懂,助您轻松上岸!低至199元/科!
全国2007年7月高等教育自学考试
信号与系统试题
课程代码:02354
一、单项选择题(本大题共12小题,每小题2分,共24分)
在每小题列出的四个备选项中只有一个是符合题目要求的,请将其代码填写在题后的括号内.错选、多选或未选均无分.
1.积分式
(3-t)dt等于( )
A.3
B.0
C.16
D.8
2.电路的品质因数越高,则( )
A.电路的选择性越好,电路的通频带越窄
B.电路的选择性越好,电路的通频带越宽
C.电路的选择性越差,电路的通频带越窄
D.电路的选择性越差,电路的通频带越宽
3.已知信号f(t)的波形如题3图所示,则f(t)的表达式为( )

A.(t+1)ε(t)
B.δ(t-1)+(t-1)ε(t)
C.(t-1)ε(t)
D.δ(t+1)+(t+1)ε(t)
4.某系统的输入信号为f(t),输出信号为y(t),且y(t)=f(3t),则该系统是( )
A.线性非时变系统
B.线性时变系统
C.非线性非时变系统
D.非线性时变系统
5.已知f(t)的波形如题5(a)图所示,则f(t)*[δ(t-1)+2δ(t+3)]的波形为( )

A.

B.

C.

D.
6.f(t)=(t-1)ε(t)的拉氏变换F(s)为( )
A.
B.
C.
D.
7.信号f(t)的波形如题7(a)图所示,则f(-2t+1)的波形是( )

A.

B.

C.
D.
8.已知f(t)的频谱为F(j
),则f(2t-4)的频谱为( )
A.-1/2F(j1/2
)e-j2ω
B.1/2F(j1/2
)e-j2ω
C.1/2F(j1/2
)e
D.2F(j2
)ej2ω
9.已知
则其原函数f(n)为( )
A.2nε(n)
B.-2nε(-n)
C.-2nε(-n-1)
D.无法确定
10.周期信号f(t)如题10图所示,其傅里叶级数系数的特点是( )

A.只有正弦项
B.只有余弦项
C.既有正弦项,又有直流项
D.既有余弦项,又有直流项
11.周期信号f(t)如题11图所示,其直流分量等于( )

A.0
B.4
C.2
D.6
12.若矩形脉冲信号的宽度变窄,则它的有效频带宽度( )
A.变宽
B.变窄
C.不变
D.无法确定
二、填空题(本大题共12小题,每小题2分,共24分)
请在每小题的空格中填上正确答案.错填、不填均无分.
13.周期矩形脉冲信号的周期越大,则其频谱的谱线间隔越__________________.
14.若电路中电阻R=1Ω,流过的电流为周期电流i(t)=4cos2πt+2cos32πt A,则其平均功率为__________________.
15.已知系统的激励f(n)=ε(n),单位序列响应h(n)=δ(n-1)-2δ(n-4),则系统的零状态响应yf(n)=_______________________.
16.若某连续时间系统稳定,则其系统函数H(s)的极点一定在S平面的__________________.
17.已知f(n)=2nε(n),令y(n)=f(n)*δ(n),则当n=3时,y(n)= ____________________.
18.已知某离散信号的单边Z变换为F(z)=
则其反变换f(n)= _______________________.
19.连续信号
的频谱F(jω)=_______________________.
20.已知f(t)=t[ε(t)-ε(t-2)],则
= _______________________.
21.已知f(t)的拉氏变换
,则f(t)*δ(t-1)的拉氏变换为____________________.
22.信号f(t)=te-2t的单边拉普拉斯变换F(s)等于_______________________.
23.信号f(t)=δ′(t)-e-3tε(t)的拉氏变换F(s)=_______________________.
24.已知RLC串联谐振电路的参数为:R=2Ω,L=4mH,C=0.1μf,则该谐振电路的品质因数Q=_______________________.
三、简答题(本大题共5小题,每小题4分,共20分)
25.简述周期信号频谱的特点.
26.什么是线性系统?
27.什么是通频带?
28.离散系统稳定的充分必要条件是什么?
29.请写出系统函数H(s)的定义式.
四、计算题(本大题共6小题,其中题30~题33,每小题5分,题34~题35,每小题6分,共32分)
30.信号f1(t)和f2(t)的波形如题30图所示,试用图解法求y(t)=f1(t)*f2(t).并画出y(t)的波形.

31.求题31图所示信号的频谱F(jω).

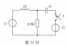
32.题32图所示电路原已稳定,uc(0-)=0,在t=0时接通开关S,画出t>0时的S域模型电路.

33.已知连续系统H(s)的极零图如题33图所示,且H(∞)=2,求系统函数H(s)及系统的单位冲激响应h(t).

34.已知一线性非时变因果连续时间系统的微分方程为
,求系统函数H(s),单位冲激响应h(t),并判断系统的稳定性.35.某离散系统如题35图所示,(1)求系统函数H(z);(2)若输入f(n)=ε(n),求系统的零状态响应yf(n).
本文标签:陕西自考历年真题全国2007年7月高等教育自学考试信号与系统试题
转载请注明:文章转载自(http://www.sxzk.sx.cn)

《陕西自考网》免责声明:
1、由于各方面情况的调整与变化,本网提供的考试信息仅供参考,考试信息以省考试院及院校官方发布的信息为准。
2、本网信息来源为其他媒体的稿件转载,免费转载出于非商业性学习目的,版权归原作者所有,如有内容与版权问题等请与本站联系。联系邮箱:812379481@qq.com。





